株式会社マプリィ(本社:兵庫県丹波市、代表取締役:山口 圭司)は、モービルマッピングシステム(MMS)の解析機能をアップデートし、GNSSが届きにくい森林内でも高精度な点群取得を可能にするほか、高速保存機能や一時停止機能を新たに追加しました。
これにより、軽バンや軽トラックにMMSを搭載して林道や山間部を走行するだけで、現地の動画と点群データをもとに、現況把握や台帳整理をより効率的かつ簡易に行うことが可能になります。

背景と課題
近年災害の報告も増える中で迅速な復旧や森林施業の効率化のためには、現地の林道や管理道路の詳細情報を正確に記録・管理することが求められます。しかし、多くの林道は始点、終点が曖昧であったり現況が紙で正確な位置把握や台帳作成に課題がありました。
mapryMMSとは
「mapryMMS」は、LiDAR・カメラ・GNSSを搭載した計測システムです。一般車両(軽トラ・小型車等)にも搭載可能で、走行するだけで街や山林の3D点群データと動画を同時に取得できます。助手席に設置したタブレットの数タップで操作が可能で、計測後は専用ソフトにデータを取り込むだけで解析・地物登録・GIS連携まで可能となります。

特長と導入メリット
GNSSの弱い林道でも高精度補正
内蔵のジャイロセンサやLiDARデータの合成技術(SLAMやIMU)を活用し、林道や森林内でも正確な走行軌跡と点群データを記録可能。
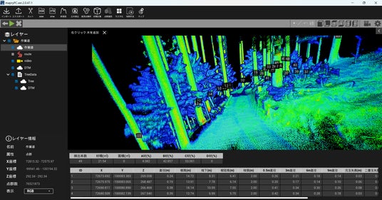
mapryPC版で解析。豊富な出力データ形式
mapryPC版でカンタン解析。断面図の取得や立木情報の抽出も対応。
点群データを見ながら地物マッピング可能。
現地映像と点群の連動表示
動画と点群を同時に確認しながら、地物を簡単に登録。

動画の再生ボタンを押す事で動画と点群が同時に動きます

点群で地物マッピング(始点や終点位置、狭小箇所、山土場など)

Shapeファイルで出力、走行線形もGISに反映

地形フィルタリング・断面図(DXF出力)

立木検出
成果物データ:
- 線形データ(DXF)
- 点群データ(LAS)
- DTM/DEMデータ(LAS/TIFF)
- 正射投影データ(TIFF)
- 動画データ(mp4)
データ取得の流れ(運転だけで完結)
- MMS搭載車両で林道を走行(助手席タブレットで簡易操作)
- 動画と点群を同時取得
- mapryPC版で自動解析・地物登録
- GIS台帳と連携して一元管理
価格(税抜)
標準モデル
- 標準モデル:2,137,000円
- LiDAR増設やカメラ増設オプションあり
※別途ソフトウェア利用料として年間アプリケーション利用料78,000円/年が発生します。
※車両代金、ルーフキャリア、Ntrip利用料、現地取り付け費用は含まれていません。
お問い合わせ
製品の詳細やデモの希望は、以下よりお気軽にお問い合わせください。
https://mapry.co.jp/contact/
マプリィについて
マプリィは測量・林業・防災・農業・建設に関わる全ての方向けのサービスです。これまで測量機器費用負担や機器操作/解析が難しく、ハードルの高かった三次元データなどの取得、解析や活用を容易に行えるソリューションを提供しています。
■会社概要
社名 : 株式会社マプリィ
所在地 : 兵庫県丹波市春日町多田165番地(本社)
代表者 : 代表取締役 山口 圭司
HP : https://mapry.co.jp/
本件に関する問い合わせ:info@mapry.co.jp









